Research on the design process and comfort optimisation path of functional clothing based on the principle of heat transfer
Pubblicato online: 03 feb 2025
Ricevuto: 27 ago 2024
Accettato: 16 dic 2024
DOI: https://doi.org/10.2478/amns-2025-0027
Parole chiave
© 2025 Zilian Guo et al., published by Sciendo
This work is licensed under the Creative Commons Attribution 4.0 International License.
With the national economic development and the improvement of people’s living standards, the public’s requirements for clothing products are increasing. New fibre materials continue to emerge, providing a broad space for functional clothing design. The development of functional knitted garments is a development trend in the field of knitted garments today [1–3].
People’s growing wear, high standards, and more requirements for knitted garments put forward a new goal - the development of functional knitted garments and the development of today’s technology also provides a guarantee for the development of functional knitted fabrics. Functional knitted garments are a unique product because fabric raw materials and structure are different from conventional fabrics, which may have an impact on the performance of taking [4–6]. And knitted garments are often used for close-fitting wear, which requires high comfort. How to make functional knitted garments give full play to the function and improve comfort as much as possible is an important issue that we can not ignore in product development [7–9].
Clothing comfort is a branch of functionality research, which can also be called comfort functionality [10]. Although there are various opinions about the definition of clothing wearing comfort, it is generally believed that comfort is a suitable temperature, and the wearer of the clothing does not feel any uncomfortable factors, i.e., neither feels slightly cool nor slightly hot and is always in a state of comfort both practically and psychologically [11–12]. In order to maintain a comfortable feeling, from the physical scope of the discussion, the clothing material is required to have good moisture permeability and warmth, appropriate thermal resistance and moisture resistance. From the physiological mechanism, heat production and dissipation must reach a dynamic balance in order for a person to maintain a normal body temperature, and this dynamic balance relies on physiological regulation and behavioural regulation to obtain [13–14]. Where the use of the body’s inherent physiological functions to achieve dynamic equilibrium is physiological regulation, where the use of clothing and other artificial ways to achieve the dynamic equilibrium of the human body heat production and dissipation for behavioural regulation [15].
New functional fibre is a chemical fiber spinning in the addition of a functional substance powder and makes the fibre has a new type of function, such as anti-ultraviolet, far-infrared, antibacterial, anti-radiation, negative ions and so on. Such fibres can only be chemical fibres, such as functional polyester, acrylic, polypropylene, polyamide, chlorine and other synthetic fibres or viscose man-made fibres, with polyester being the majority [16–17]. The functionality of such garments depends on the functional size of the functional substances in them. With the development of science and technology, the functional substances that can be extracted become more and more efficient, and the functionality of the garment becomes more and more colourful. The knitted garments produced by this method have conventional methods of spinning, knitting, printing and dyeing, and garment processing, except that functional fibres are used in them [18–20]. Chemical fibre as a carrier, the functional substances retained in the clothing, durable washable, functional long in, followed by additives processing processing functional knitwear will be functional substances made in the chemical additives, the fabric for finishing, in the fabric dipping and rolling of such functional additives, relying on chemical additives to provide the chemical bonding force will be functional substances fixed in the fabric. The method of impregnating and rolling functional additives on fabrics can be used for knitwear made of various materials, including natural fibres. There are many types of such knitted garments, with the majority being health care and protective garments [21–22]. Antimicrobial underwear is more effective due to the use of additive dip rolling, where functional substances exist on the surface of the fabric. However, the products processed by the auxiliary dip-rolling method are not as resistant to washing as functional fibre knitwear. Furthermore, the development of a high moisture permeability functional knitwear pathway high moisture permeability functional knitwear is the use of special fabrics for intimate apparel. It can make the human body sweat easily from the inner surface of the fabric to penetrate the fabric exterior and quickly evaporate, mainly due to the formation of special fibres in the fabric of the heterogeneous structure of the capillary effect caused by [23–24].
The study proposes a functional garment design based on the principle of heat transfer and analyzes the demand for the garment. Six fabric fabrics were selected as experimental samples and experimental analyses were carried out based on the theory of heat conduction and heat and moisture balance. The thermal resistance value and total heat dissipation under different skin states were studied, and human wearing experiments were carried out on common clothing fabrics under 92% high humidity conditions to analyse the wearing comfort of three senses: heat sensation, wet sensation and cool sensation. The study took the summer clothing design as the design object and selected the maximum transient heat flow Q-max and selected the thermal conductivity K as the characterisation index to optimise its clothing fabrics, respectively, in terms of the looseness design and the opening design of the clothing, to improve the comfort of the clothing.
The realization of waterproof function mainly depends on the overall watertight structure of the garment and the waterproof performance of the outer material. From the perspective of the overall structure of the garment, the anti-immersion suit is connected to the top and bottom as a whole, sealed with a watertight zip, while the cuffs and collar are made of waterproof rubber material, with waterproof gloves, waterproof shoes, waterproof cap, in order to ensure that the overall waterproof nature of the garment. In addition, in terms of clothing samples, it is recommended to use a one-piece structure to reduce the cutting and division of fabrics, thus reducing seams as much as possible. For unavoidable seams, they should be sealed through the process of pressing glue and so on.
Combining with relevant theories, in a quiet state, water evaporation through the human skin surface is about 70%. Only when the temperature is higher can the human body sweat. In an environment below 30 °C, the human body’s daily evaporation by the skin surface is basically stable, resulting in approximately 600-800 g of water being evaporated. In the cold, low water temperature water environment, the human body water is mainly evaporated through senseless evaporation, and most of them are carried out by the head, hands, feet, and other parts of the body that are not covered by clothing. In addition to the head, hands and feet part (about 30%), the total surface area of human skin in other parts of the body is about 1.5m2. From this, it can be estimated that the WVT of the garment material must reach 373g/(m2-d) in order to meet the demand for moisture permeability in a quiet state.
The standard for clothing comfort is to achieve thermal equilibrium between the human body, clothing, and environment. In the “human body-environment-clothing” system, the human body, through sweating or skin vasoconstriction, carries out complex energy exchange with the external environment when the amount of heat production and the amount of heat transfer between the human body and the environment is in equilibrium homeostasis, the human body can feel thermally comfortable in the environment. Clothing can act as an extension of the human body and provide thermal insulation between the surface of the human body and the environment [25]. If the water temperature is lower than 15 °C below the surface of the operation of the personnel’s body temperature is about 35 °C, the existence of a large temperature difference between the human body and the environment at this time, if you do not use special protective clothing to protect against the cold, the human body’s heat loss will be higher than the heat production, and it is not easy to maintain the thermal equilibrium state, which leads to thermoregulation mechanism can not operate normally. Let clothing with good warmth ensure that the staff’s body heat loss is reduced in the main way.
According to the heat balance equation:
Where:
For the calculation of the value of
Where:
Then the garment thermal resistance can be calculated:
The comfort of clothing is closely related to the structure of the human body. The human body structure is complex and changes with movement, which leads to different wearing feelings of clothing. Under the state of movement, the size of the key parts of the human body will change in the direction of the circumference and length, which is one of the important reference factors for the design of clothing structure and has an important impact on the comfort of the dress [26]. In daily life, personnel involved in lifting arms, legs, bending, probing, squatting and other movements of large amplitude, when the human body size and structure will occur to a certain degree of deformation if you do not take into account the dynamic conditions of the clothing loose design, the human body will be subjected to clothing limitations and constraints, which seriously affects the comfort of the dress, resulting in reduced work efficiency. Reasonable design of clothing structure will improve the comfort of anti-immersion cold weather clothing. Therefore, clothing style structure, especially loose design, needs to be based on the personnel’s action needs for rationalisation of the configuration.
In this paper, common fabrics available in the market were selected, including woven and knitted fabrics, and the material types of the selected fabrics involved common natural and synthetic fibres, as well as some new fibres. The composition and specifications of the specimens are shown in Table 1.
Ingredients and specifications of the selected fabrics
| Fabric number | Material type | Thickness(mm) | Gram weight(g/m2) | Volume weight(g/cm3) |
|---|---|---|---|---|
| 1 | Modale | 0.4258 | 129 | 0.3305 |
| 2 | Flax | 0.6918 | 221 | 0.3448 |
| 3 | Cotton | 0.5252 | 209 | 0.4265 |
| 4 | Wool | 0.593 | 254 | 0.4566 |
| 5 | Polyester fibre | 0.333 | 116 | 0.504 |
| 6 | Viscose | 0.4214 | 177 | 0.451 |
The main apparatus and equipment used during the experiment are shown in Table 2.
Experiment with instruments and equipment
| Instrument name | Producer | Type |
|---|---|---|
| Thickness meter | Ningbo textile instrument factory | Yg141 type table fabric thickness tester |
| Constant temperature and humidity box | Ningbo textile instrument factory | Yg751 btype computer thermostat |
| Constant temperature oven | Laizhou electronic instrument co., LTD | The y802 basket thermostat oven |
| Electronic balance | Ohaus Corporation | n22120 |
| Electronic balance | Ohaus Corporation | Ar2140 electronic analysis balance |
| breathalymeter | Ningbo textile instrument factory | Yg461 fabric medium pressure breathable meter |
| Thermal apparatus | Changzhou no.2 textile mill | Yg606a flat-panel thermal apparatus |
| Plate incubator | Beijing sirethai technology co., LTD | Pbw-25 smart flat fabric insulation device |
| Plate incubator | Raytek Corporation | Mt2 non-contact infrared thermometer |
| Infrared thermometer | IR SnapShot | Lm525 infrared thermograph |
| Wind velocity | Taiwan taiyi electronics co., LTD | Avm-05 temperature/anemometer |
There is a general law for transfer processes: rate of process transfer = process driving force / process resistance. For example, Ohm’s law:
That is, the rate of heat transfer (heat transferred per unit time) of a microelement is proportional to the normal temperature gradient of the isothermal surface of the microelement and the thermal conductive area of the microelement. Expressed by the formula:
Where:
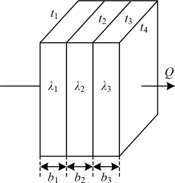
For a stable one-dimensional temperature field, the temperature gradient can be expressed as Stable heat conduction through a multi-layer flat wall Stable heat conduction through a single flat wall: For a Problem of heat transfer in air-containing layers Convection heat transfer problems in the air layer between the fabric and the hot plate can be analysed by using convection heat transfer in the horizontal air sandwich. The flow of air in the sandwich, mainly depends on the thickness of the sandwich as the characteristic length of the Gerashov number Gr number (is a measure of the buoyancy and viscous forces). When Gr is extremely low, heat transfer relies on pure thermal conductivity. As Gr increases, there is a transition to laminar flow characteristics (circulation), laminar flow characteristics, and turbulent flow characteristics, in that order.

Multi-layer flat wall heat conduction schematic
Heat balance equation
In order to maintain a normal body temperature, the human body must keep the heat production and heat dissipation in balance, and the heat balance equation of the human body is:
Where:
The formula indicates that the heat production in the body
Conductive Heat Dissipation
Conduction heat dissipation is when the material does not move, and the heat is transferred from the high temperature object to the low temperature object of a contact heat dissipation method, referred to as thermal conductivity [27]. Between objects and objects, heat conduction exists only if there is a temperature difference. The process of thermal conductivity follows Fourier’s law.
The formula expresses it:
Where:
Convective Heat Transfer
Convective heat transfer mainly relies on the transfer of heat caused by relative displacement and mixing of mass points in a fluid. The following equation can express the convective heat loss on the outer surface of the garment:
Where:
The value of Eq.
Natural convection:
Forced convection:
Where:
Radiation heat dissipation
Radiation heat dissipation is a non-contact way of heat dissipation in the form of electromagnetic waves to transfer energy, as one of the basic forms of heat exchange, radiation does not depend on any medium and continuous. According to Steven Boltzmann’s law, the radiant heat loss from the outer surface of a garment can be expressed by the following formula:
Where:
Where
Where:
Evaporation heat dissipation
The surface of the liquid produces vaporisation will carry away heat, known as evaporation heat dissipation. The evaporation phenomenon can be produced at any temperature. The amount of heat that needs to be absorbed per unit mass of water evaporating on the surface of the body is called latent heat. When the outside air temperature is higher than the body temperature (generally refers to more than 35 °C), water evaporation is the only way to lose body heat. The formula for calculating latent heat is tabulated as:
Where:
Conduction, convection and radiation of the driving force is the temperature gradient, the direction of its transfer is determined by the direction of the temperature gradient, conduction heat transfer
The experimentally measured thermal resistance of each air layer thickness under the simulated dry skin is shown in Table 3, with numbers 1-8 for woven fabrics, numbers 9-15 for knitted fabrics, and numbers 16-22 for sports fabrics.
Simulate the heat resistance of the thickness fabric under the dry skin(clo)
| Thickness(mm) Numbering | 0 | 2 | 6 | 10 | 15 | 20 |
|---|---|---|---|---|---|---|
| 1 | 0.131 | 0.513 | 0.9 | 0.955 | 0.893 | 0.905 |
| 2 | 0.108 | 0.576 | 1.111 | 1.085 | 1.111 | 1.095 |
| 3 | 0.203 | 0.702 | 1.297 | 1.335 | 1.283 | 1.214 |
| 4 | 0.201 | 0.753 | 1.35 | 1.371 | 1.35 | 1.309 |
| 5 | 0.2 | 0.796 | 1.369 | 1.414 | 1.379 | 1.324 |
| 6 | 0.184 | 0.796 | 1.35 | 1.469 | 1.543 | 1.336 |
| 7 | 0.215 | 0.816 | 1.41 | 1.544 | 1.596 | 1.379 |
| 8 | 0.231 | 0.863 | 1.557 | 1.633 | 1.728 | 1.518 |
| 9 | 0.255 | 0.938 | 1.658 | 1.826 | 1.78 | 1.35 |
| 10 | 0.289 | 0.983 | 1.722 | 1.804 | 1.868 | 1.642 |
| 11 | 0.231 | 0.757 | 1.401 | 1.319 | 1.535 | 1.321 |
| 12 | 0.359 | 0.78 | 1.376 | 1.333 | 1.769 | 1.57 |
| 13 | 0.355 | 0.859 | 1.472 | 1.691 | 1.823 | 1.623 |
| 14 | 0.385 | 0.927 | 1.607 | 1.753 | 1.868 | 1.7 |
| 15 | 0.41 | 0.983 | 1.686 | 1.806 | 1.823 | 1.73 |
| 16 | 0.208 | 0.919 | 1.581 | 1.683 | 1.544 | 1.69 |
| 17 | 0.241 | 0.975 | 1.641 | 1.776 | 1.782 | 1.672 |
| 18 | 0.199 | 0.883 | 1.517 | 1.713 | 1.782 | 1.661 |
| 19 | 0.219 | 0.996 | 1.696 | 1.753 | 1.871 | 1.661 |
| 20 | 0.219 | 0.842 | 1.464 | 1.673 | 1.7 | 1.501 |
| 21 | 0.228 | 1.068 | 1.724 | 1.82 | 1.942 | 1.71 |
| 22 | 0.194 | 0.833 | 1.464 | 1.626 | 1.71 | 1.493 |
From the table, it can be seen that with the increase of the thickness of the air layer, the thermal resistance first increases and then decreases in the air layer below 6 mm. With the increase in thickness of the air layer and the increase in thermal resistance, it is obvious. The air layer continues to increase in thickness, the trend of increasing thermal resistance slows down to about 15 mm, the thermal value reaches the peak, and after that, with the increase of the thickness of the air layer, the thermal resistance value decreases.
Different fabrics have different thermal resistance requirements to reach the maximum value of air layer thickness. 6 different fabrics, 1 # silk thickness and density is small, 3 # linen density is small, 4 # 5 # cotton thickness is small, density and thickness of small are easy to increase the air convection inside and outside of the fabric, so in the air layer thickness of 10mm or so the thermal resistance to reach the maximum, 6 # wool, 7 # 8 # polyester and cotton are density and thickness are relatively large, the thermal resistance to reach the maximum value of the air layer thickness of 15mm or so. The thermal resistance reaches the maximum value of around 15mm in the thickness of the air layer.
Knitted fabrics, except for 9# flame retardant polyester, the thickness is very large, so except for 9# fabric thermal resistance maximum value of about 10mm, the rest of the thermal resistance in the air layer thickness of 15mm to reach the maximum value.
In sports fabrics, the density is large, so the maximum value of thermal resistance is around 15mm, except for 16#, where the maximum value of thermal resistance is around 10mm in the thickness of the air layer.
Experimentally measured heating power of each air layer thickness under simulated sweat and wet skin is shown in Table 4, numbers 1-8 for woven fabrics, numbers 9-15 for knitted fabrics, and numbers 16-22 for sports fabrics.
The heating power of the thickness of the air layer under the wet skin(W
| Thickne ss (mm) Numbering | 0 | 2 | 6 | 10 | 15 | 20 |
|---|---|---|---|---|---|---|
| 1 | 19.01 | 13.42 | 12.01 | 9.14 | 8.94 | 11.05 |
| 2 | 17.71 | 13.09 | 11.03 | 8.57 | 8.55 | 10.33 |
| 3 | 16.81 | 11.98 | 10.9 | 8.41 | 8.29 | 9.68 |
| 4 | 17.7 | 12.59 | 10.86 | 8.4 | 8.18 | 9.92 |
| 5 | 17.64 | 12.53 | 10.97 | 8.22 | 8.28 | 9.64 |
| 6 | 16.47 | 12.48 | 10.41 | 8.08 | 7.64 | 9.5 |
| 7 | 17.61 | 12.51 | 10.5 | 8.26 | 8.25 | 9.74 |
| 8 | 17 | 12.23 | 10.37 | 8 | 7.95 | 9.13 |
| 9 | 16.67 | 12.48 | 10.46 | 8.32 | 8.05 | 9.57 |
| 10 | 16.69 | 12.18 | 10.05 | 7.96 | 7.75 | 9.38 |
| 11 | 16.85 | 12.49 | 10.26 | 8.3 | 7.89 | 9.4 |
| 12 | 15.3 | 11.85 | 9.82 | 7.95 | 7.79 | 8.78 |
| 13 | 16.24 | 12.17 | 10.18 | 8.04 | 7.8 | 9.05 |
| 14 | 15.47 | 11.86 | 9.73 | 7.79 | 7.53 | 8.81 |
| 15 | 15.89 | 11.85 | 9.63 | 7.86 | 7.23 | 8.84 |
| 16 | 14.89 | 11.35 | 9.15 | 7.27 | 7.19 | 8.23 |
| 17 | 9.23 | 7.95 | 7.2 | 5.9 | 5.76 | 7 |
| 18 | 14.28 | 11.32 | 9.09 | 6.76 | 6.84 | 7.9 |
| 19 | 14.74 | 11.34 | 9.1 | 7.12 | 6.88 | 7.92 |
| 20 | 13.61 | 11.28 | 9.69 | 7.5 | 7.5 | 8.22 |
| 21 | 12.88 | 10.89 | 8.96 | 7.4 | 7.4 | 8.03 |
| 22 | 13.59 | 11.28 | 9.84 | 7.76 | 7.92 | 8.85 |
From the table, it can be seen that, under the sweat and wet state, with the increase in the thickness of the air layer, the heating power decreases and then increases in the air layer below 10mm, with the increase of the thickness of the air layer the heating power decreases obviously, with the air layer continues to increase the thickness of the air layer, the trend of the heating power decreases slows down, to 15mm or so, the heating power reaches the lowest value, and after that, with the increase of the thickness of the air layer, the heating power rises. This indicates that the heat dissipation of the fabric decreases and then increases with the increase of the air layer thickness, and the heat dissipation of each fabric reaches the minimum when the air layer thickness is about 15mm.
The heat dissipation of fabrics at each air layer thickness is larger in the sweaty and wet state than in the dry state. One reason is that when a large number of human bodies sweat, water in the fabric mainly exists in the form of free water, static air is reduced, and the thermal conductivity of water is much larger than that of air. Water molecules play a crucial role in heat dissipation, and the fabric’s ability to dissipate heat increases.
Different from the dry state of fabrics, whether it is woven fabrics, knitted fabrics or sports fabrics, the heat dissipation of fabrics under sweat and wet state reaches the minimum value when the thickness of the air layer is about 15mm. This shows that, under the sweat and wet state, the influence of the fibre type and the fabric structure on the heat dissipation is no longer significant, and the conductive and convective heat dissipation by a large number of water molecules in the air layer plays a major role, and the thermal conductivity of the air layer increases due to the increase of the humidity content, which improves the conductive and convective heat dissipation.
Analysis and discussion of the results of the average human skin temperature
The average skin temperature data of subjects wearing garments made of 6 garment fabrics at various stages in an environment with a relative humidity of 93% and a temperature of 24°C are shown in Table 5. A t-test of the mean skin temperatures of the subjects while wearing the six garments showed that in the period of 0-10 min, the mean skin temperature of the subjects wearing the garments made of fabric No. 4 was higher than that of the garments made of the other five fabrics. In the small exercise condition, i.e., 5km/h brisk walking phase, the mean skin temperature of the subjects wearing garments made of fabrics No. 4 and No. 5 was higher, and the mean skin temperature of the subjects wearing garments made of fabrics No. 1, No. 2, No. 3 and No. 6 was lower. In the heavy exercise condition, i.e., 7km/h fast running phase, the mean skin temperature of the subjects wearing the garments made of fabrics No. 4 and 5 was higher, and the mean skin temperature of the subjects wearing the garments made of fabrics No. 1, 2 and 6 was lower. In the recovery phase, i.e., the 2.6 km/h slow walking phase, the mean skin temperature of the subjects wearing the garments made of fabrics No. 4 and No. 5 was still higher, and the mean skin temperature of fabrics No. 2 and No. 6 was lower. It can be seen that the average skin temperature of subjects wearing garments made of wool fabrics was consistently higher than the average skin temperature of subjects wearing garments made of other fabrics throughout the experiment.
Analysis and discussion of subjective evaluation results
When the temperature difference between the inner surface of the garment and the human skin temperature is too large, the human body will feel a sense of cold and warmth when much sweat exists between the clothes and the garment to see and is not discharged in a timely manner, the human body will feel the sense of wetness and stickiness, and when the humidity of the air inside the garment is very high, the human body will feel a strong sense of stuffiness. The subjective feeling change curves of the test subjects wearing the 6 garments at each stage are shown in Fig. 2, Fig. 3 and Fig. 4.
Throughout the test process, the thermal sensation of wearing garments made of 6 fabrics showed a trend of increasing and then decreasing. The subjects began to exercise for 10-30 minutes. The human body ’ s heat production increased, and it was greater than heat dissipation, resulting in a gradual increase in thermal sensation. With the continuation of the exercise, heat production and heat dissipation gradually reached equilibrium, and the increase in thermal sensation slowed down. 30-50min due to the increase in the amount of human movement, the human body felt a strong sense of stuffiness at each stage of the change curve, as shown in Figure 2, Figure 3 and Figure 4. 50min due to the increase in the amount of human body exercise, heat production increases, but due to the increase in the amount of exercise, convection becomes larger, so that more sweat evaporation, due to the evaporation of a large amount of heat absorbed, so the process of thermal sensation first increased significantly and then tends to remain unchanged. 50-60min, the amount of exercise decreases, the amount of heat production decreases, and the heat sensation gradually decreases. From the results of the t-test, we can see that the heat sensation of wearing garments made of No.2 fabric is lower, and there is no significant difference in the heat sensation of wearing garments made of the other 5 fabrics.
Throughout the test process, the thermal sensation of wearing clothing made of 6 types of fabrics showed a trend of increasing and then decreasing. 10-30min subjects began to exercise, the human body heat production increased, heat production was greater than heat dissipation, and the thermal sensation gradually increased. With the continuation of the movement, heat production and heat dissipation gradually reached equilibrium, and the increase in thermal sensation decreased. 30-50min Due to the increase in the amount of human body exercise, heat production increases, but due to the increase in the amount of exercise, convection becomes larger, so that more sweat evaporation, due to the evaporation of a large amount of heat absorbed, so the process of thermal sensation first increased significantly and then tend to be unchanged. 50-60min, the amount of exercise decreases, the amount of heat production decreases, and the heat sensation is gradually reduced. From the results of the t-test, we can see that the heat sensation of wearing garments made of No.2 fabric is lower, and there is no significant difference in the heat sensation of wearing garments made of the other 5 fabrics.
During the entire exercise process, the coolness of the six garments showed an overall trend of decreasing and then increasing. In the first 30min, the heat produced by the exercise made the subjects’ coolness weaken; after 30-50min the exercise volume increased, the body metabolism produced more heat, and the subjects’ coolness continued to weaken until it disappeared. 50-60min, the exercise volume decreased, the heat production was less, and the coolness was enhanced. The t-test found that in the 0-10min, subjects wearing clothing made of No. 2 fabric were cooler than those wearing several other types of clothing cooler, which is due to the surface of the linen fibre having many bamboo cracks, fibres having a cavity, its special structure is conducive to heat dissipation. In the other stages, the subjects wore clothing made of six fabrics with no significant difference in coolness.

The subjects were dressed in six kinds of clothing

The subjects were in the heat of six kinds of clothing

The subjects were in a cold feeling of 6 kinds of clothing
The average skin temperature of the subjects in six kinds of clothing(°C)
| Clothing number Stage | 1 | 2 | 3 | 4 | 5 | 6 |
|---|---|---|---|---|---|---|
| 0-10min | 32.61±0.32 | 32.55±0.19 | 32.31±0.23 | 33.11±0.47 | 32.25±0.21 | 32.51±0.26 |
| 10-20min | 32.63±0.12 | 32.15±0.13 | 32.42±0.41 | 32.42±0.12 | 32.30±0.32 | 32.23±0.25 |
| 20-30min | 32.22±0.11 | 32.20±0.35 | 32.35±0.15 | 32.38±0.21 | 32.64±0.16 | 32.26±0.13 |
| 30-40min | 31.54±0.31 | 31.76±0.55 | 31.58±0.35 | 32.14±0.11 | 32.15±0.34 | 31.22±0.36 |
| 40-50min | 32.22±0.35 | 32.23±0.44 | 32.37±0.31 | 32.34±0.41 | 32.18±0.41 | 32.45±0.44 |
| 50-60min | 32.52±0.33 | 32.53±0.12 | 32.25±0.33 | 32.85±0.33 | 33.39±0.21 | 32.11±0.33 |
Because clothing fabrics weave clothing, the thermal and wet comfort performance of the fabric directly affects the thermal and wet comfort performance of the clothing, but if you want to make the clothing lasting coolness, not only to have a good thermal comfort performance of clothing fabrics, but also to have a good thermal insulation or heat dissipation performance of the clothing styles. This section of the summer clothing design is a case study on the cool performance of good knitted garment fabrics to determine the case is still difficult to maintain lasting coolness, and a more effective solution is to optimise the design of the looseness of the garment structure and openings, which in turn reduces the thermal resistance and increases the Q-max.
First of all, through the 7 groups of linen fabric tissue and 5 groups of cotton fabric tissue in the density NP5 the same case, get a group of linen tissue or cotton tissue of the maximum homeostatic heat flux Q-max and thermal conductivity K is relatively the largest, and choose this kind of organisation as an alternative fabric for summer garments, the linen fabric tissue as shown in Table 6, the cotton fabric tissue as shown in Table 7. From the data in the table, we can get the relative maximum of Q-max and K of linen tissue 1 and cotton tissue 5, the maximum value is 5.1459 and 4.5425, respectively, so it is selected as the optimised fabric.
The fabric cold and heat conductivity meter of 7 tissues
| Results Organization | Flax 1 | Flax 2 | Flax 3 | Flax 4 | Flax 5 | Flax 6 | Flax 7 | |
|---|---|---|---|---|---|---|---|---|
| Q-max | Anti - | 0.0955 | 0.0915 | 0.0933 | 0.085 | 0.0861 | 0.0792 | |
| Positive | 0.0988 | 0.0967 | 0.0918 | 0.0876 | 0.085 | 0.0805 | ||
| K | Anti - | 4.8194 | 4.599 | 4.2184 | 3.8469 | 4.0418 | 3.4881 | |
| Positive | 4.983 | 4.5598 | 4.3121 | 3.8699 | 4.0907 | 3.6039 | ||
The fabric cold and heat conductivity of five group of cotton tissue
| Results Organization | Cotton 1 | Cotton 2 | Cotton 3 | Cotton 4 | Cotton 5 | |
|---|---|---|---|---|---|---|
| Q-max | Anti - | 0.0871 | 0.0799 | 0.0822 | 0.0755 | |
| Positive | 0.0928 | 0.0843 | 0.0777 | 0.075 | ||
| K | Anti - | 3.9328 | 3.2557 | 3.1594 | 2.999 | |
| Positive | 3.8785 | 3.2918 | 3.1414 | 3.158 | ||
Secondly, in a further experimental study, we performed density variations for linen tissue 1 and cotton tissue 5, respectively, i.e., NP5 increased from 12.5 to 14.3 in 0.2 steps. Among the 10 kinds of linen tissue 1 with different NP5, we measured that the fabric coldness Q-max and thermal conductivity K measured by linen tissue 1 with NP5 of 10.5 are relatively maximum, while among the 10 kinds of cotton tissue 5 with different NP5, we measured that the fabric coldness Q-max and thermal conductivity K measured by cotton tissue 5 with NP5 of 12.3 are relatively maximum. So, finally, we choose the fabric linen 1 and cotton 5, corresponding to the optimal density of NP5 for 14.3 and NP5 for 12.5. That is, the density NP5 = 14.3 of the linen 1 and the density NP5 = 12.5 of the cotton 5 relative to other fabrics with the same organisation has better contact with the cold sensation and a larger thermal conductivity, which is more suitable for the requirements of summer clothing. Gu selected this as the optimal fabric for garment design. The measured fabric coldness and thermal conductivity of NP5 different linen organisation 1 are shown in Table 8, and the measured fabric coldness and thermal conductivity of NP5 different cotton organisation 1 are shown in Table 9.
The fabric cold and heat conductivity of different flax 1
| Results NP5 | 12.5 | 12.7 | 12.9 | 13 | 13.3 | 13.5 | 13.7 | 13.9 | 14 | 14.3 | |
|---|---|---|---|---|---|---|---|---|---|---|---|
| Flax 1Q-max | Anti - | 0.0628 | 0.0674 | 0.0674 | 0.0695 | 0.0705 | 0.075 | 0.0776 | 0.0744 | 0.0773 | |
| Positive | 0.0716 | 0.0721 | 0.0713 | 0.0743 | 0.0722 | 0.0764 | 0.0748 | 0.0755 | 0.073 | ||
| Flax 1K | Anti - | 4.7629 | 4.5136 | 4.4051 | 4.3243 | 4.2513 | 4.3371 | 4.516 | 4.5683 | 4.754 | |
| Positive | 4.7781 | 4.5264 | 4.4343 | 4.3172 | 4.2559 | 4.401 | 4.4899 | 4.7094 | 4.739 | ||
The fabric cold and heat conductivity of different cotton 5 different cotton 5
| Results NP5 | 12.5 | 12.7 | 12.9 | 13 | 13.3 | 13.5 | 13.7 | 13.9 | 14 | 14.3 | |
|---|---|---|---|---|---|---|---|---|---|---|---|
| Cotton 5Q-max | Anti - | 0.0648 | 0.0651 | 0.0592 | 0.0543 | 0.0602 | 0.0547 | 0.0552 | 0.0546 | 0.0514 | |
| Positive | 0.0644 | 0.0632 | 0.0664 | 0.0669 | 0.0703 | 0.0632 | 0.0627 | 0.0611 | 0.0629 | ||
| Cotton 5K | Anti - | 2.7328 | 2.6047 | 2.525 | 2.4895 | 2.4554 | 2.2581 | 2.323 | 2.2232 | 2.1231 | |
| Positive | 2.7666 | 2.6129 | 2.604 | 2.4843 | 2.4366 | 2.2904 | 2.3584 | 2.2009 | 2.0843 | ||
For knitted garments, the fabric elasticity is large in order to increase its Q-max, reduce thermal resistance, generally in the premise of not affecting the beauty and movement, and increase the amount of relaxation of its top and bottom, according to the above table varieties of pine volume table can be seen, as long as the summer clothing knitted fabric corresponding to the maximum amount of pine volume can be put into the garment as shown in Table 10 below.
Summer knitting dress loose quantity design
| Clothing variety | Maximum loose quantity | ||||
|---|---|---|---|---|---|
| Collar circumference | Chest circumference | Shoulder width | Waistline | Hip circumference | |
| Men’s T-shirt | 3.1 | 24 | 4 | - | - |
| Men’s spring shirt | 5.1 | 22 | 4 | - | - |
| T-shirt for women | 2.8 | 18 | 4 | - | - |
| Frock | 2.8 | 14 | 1.7 | - | 11 |
Based on the results of the density NP5 = 14.3 of linen 1 and density NP5 = 12.5 of cotton 5 fabrics using computerised flat knitting machine in accordance with the above table of the amount of relaxation shaken into the summer knitted garments can be.
Garment openings are mainly necklines, cuffs, and hemlines, which are the basic structure of a garment and the part where garment design is carried out. In hot summer environments, roofs generally prioritize ventilation and rapid heat dissipation. Clothing openings in hot environments should try to assist in thermoregulatory functions to maintain the body’s thermal comfort.
Clothing fabrics or clothing design can play the role of “air conditioning”. From the aspect of clothing structure design, in the summer high temperature environment, we should pay attention to the opening part of the clothing design:
The appropriate increase in the opening, that is, increase the collar, cuffs and hem, without affecting the aesthetic situation. The greater the degree of opening, the easier it is to emit heat, and the wearer can keep cool. Appropriately reduce the overlying area of the garment, i.e., summer clothing can be made into short-sleeved or sleeveless, and women’s tops can be made into short models.
The study optimizes the thermal comfort and design method of human clothing based on the principle of heat conduction. It also conducts functional testing of clothing and proposes a design optimisation path based on the experimental results.
Under different skin conditions, whether under simulated dry skin or sweaty skin, the increase in ambient humidity can reduce the heat dissipation of fabrics and make them less permeable to moisture, which results in the heat generated by the human body not being easily dissipated.
In conditions of 92% humidity, subjects wearing clothing made of polyester fiber fabrics tend to experience greater heat, moisture, and coolness relative to other materials. However, heat and moisture comfort are poorer relative to other materials. Due to the grooves on the surface of the linen fibre, the moisture conductivity is better, and it is able to transfer the adsorbed sweat from the skin surface to the outer surface of the fabric faster. Therefore, in 92% of the relative humidity conditions, subjects wearing clothing made of linen fabric experience a sticky, hot, wet, and stuffy feeling when compared to other clothing fabrics. However, their heat and moisture comfort is relatively good.
